Клапан запорный стальной фланцевый сильфонный Дн15-300 , Рн-40
Диаметр условного проход:от 15 до 300 мм
Условное давление:4.0 МПА
Корпус : Сталь 20Л, 25Л,12Х18Н9,12Х18Н9ТЛ,10Х17Н13М2Т
Золотник : Сталь 20Л, 25Л,12Х18Н9,12Х18Н9ТЛ,10Х17Н13М2Т
Крышка : Сталь 20Л, 25Л,12Х18Н9,12Х18Н9ТЛ,10Х17Н13М2Т
Шпиндель : Сталь 20Х13,12Х18Н9,12Х18Н9ТЛ
Сильфон : 12Х18Н9,12Х18Н9ТЛ
Диаметр условного проход:от 15 до 300 мм
Условное давление:4.0 МПА
Корпус : Сталь 20Л, 25Л,12Х18Н9,12Х18Н9ТЛ,10Х17Н13М2Т
Золотник : Сталь 20Л, 25Л,12Х18Н9,12Х18Н9ТЛ,10Х17Н13М2Т
Крышка : Сталь 20Л, 25Л,12Х18Н9,12Х18Н9ТЛ,10Х17Н13М2Т
Шпиндель : Сталь 20Х13,12Х18Н9,12Х18Н9ТЛ
Сильфон : 12Х18Н9,12Х18Н9ТЛ
Материал Уплотнение : меттал по метталу(нж),PTFE
Тип присоединение : фланцевое, под приварку
| Маркировка | 15с66нж | 15с66п | 15нж66нж | 15нж66п |

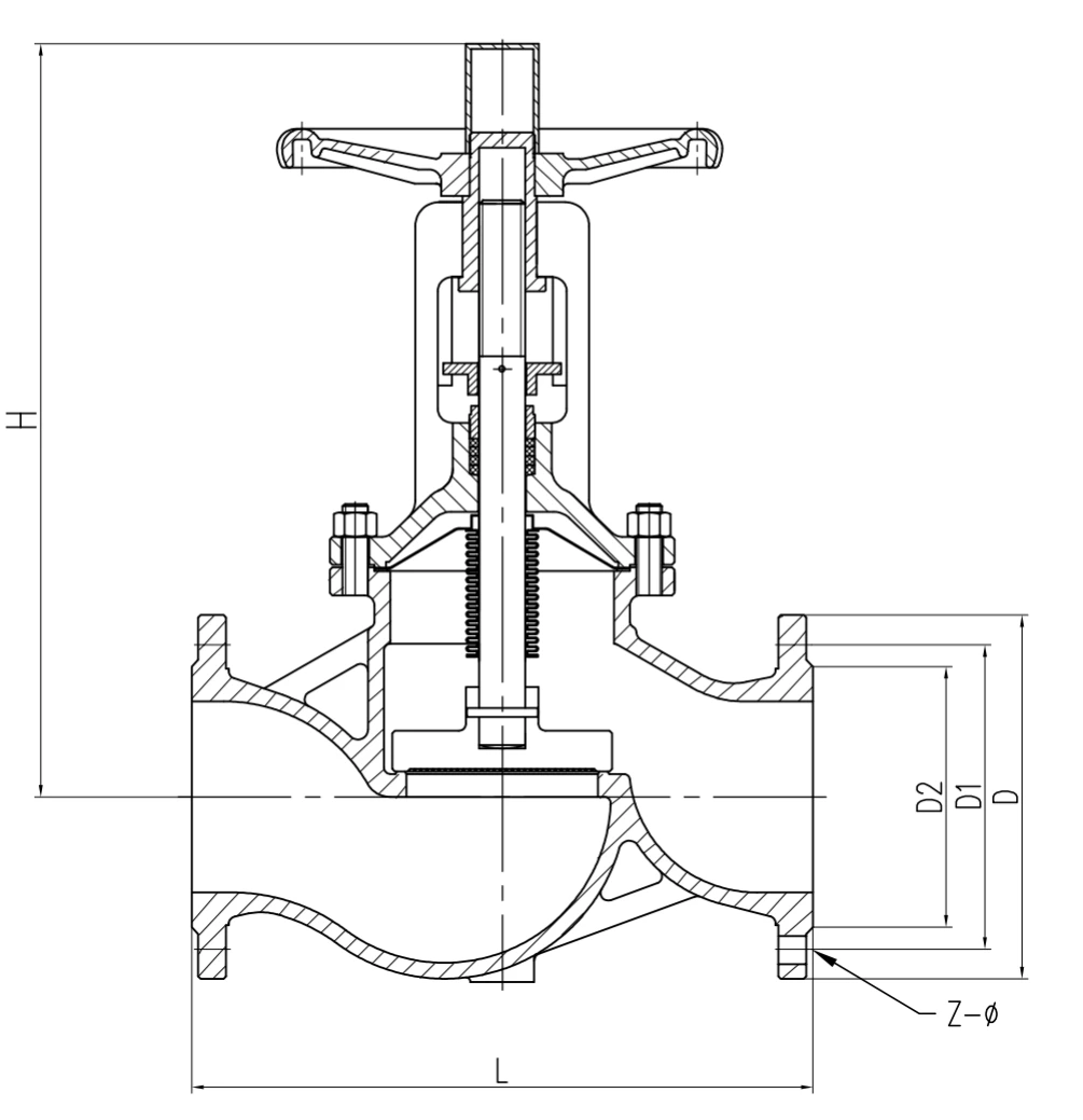
Основные технические характеристики
| PN | DN | L | D | D1 | D2 | z-ф | H | Масса,кг |
| 40 | 15 | 130 | 95 | 65 | 45 | 4-Φ14 | 186 | 4.5 |
| 40 | 20 | 150 | 105 | 75 | 58 | 4-Φ14 | 186 | 5.5 |
| 40 | 25 | 160 | 115 | 85 | 68 | 4-Φ14 | 201 | 6.3 |
| 40 | 32 | 180 | 140 | 100 | 78 | 4-Φ18 | 204 | 9 |
| 40 | 40 | 200 | 150 | 110 | 88 | 4-Φ18 | 230 | 10 |
| 40 | 50 | 230 | 165 | 125 | 102 | 4-Φ18 | 245 | 13.5 |
| 40 | 65 | 290 | 185 | 145 | 122 | 8-Φ18 | 285 | 19 |
| 40 | 80 | 310 | 200 | 160 | 138 | 8-Φ18 | 293 | 24 |
| 40 | 100 | 350 | 235 | 190 | 162 | 8-Φ22 | 370 | 37 |
| 40 | 125 | 400 | 270 | 220 | 188 | 8-Φ26 | 410 | 50 |
| 40 | 150 | 480 | 300 | 250 | 218 | 8-Φ26 | 450 | 73 |
| 40 | 200 | 600 | 375 | 320 | 285 | 12-Φ33 | 555 | 135 |
| 40 | 250 | 730 | 450 | 385 | 345 | 12-Φ33 | 710 | 185 |
| 40 | 300 | 850 | 515 | 450 | 410 | 16-Φ33 | 765 | 280 |

Информационые обмены

Мы активно участвуем в различных отраслевых выставках, встречах по обмену и т. Д., Глубоко понимаем динамику отраслевых продуктов, онлайн-общение и проверки на местах, а также активно работаем над оптимизацией продуктов и техническими обновлениями, чтобы лучше соответствовать различным потребностям клиенты.
Упаковка, доставка и оплата

Часто задаваемые вопросы
Q1: Какой срок производства ?
A.Это зависит от объема заказа.Обычно на ходовые позиции нужно 30 дней , если в складу есть в
наличии , сможем отправлять в течении 5-7 дней .
Q2: вы являетесь торговая компания или производитель?
A: Мы являемся производителем по запорной арматуре.
Q3: Можете ли вы производить по нашим чертежам?
A: Да, пожалуйста, отправьте нам свой собственный черновик. OEM-товары приветствуются.
Q4: У вас есть агент или представитель за границей?
A: У нас нет агента за границей.
Q5: Сможем ли мы отливать логотип на изделиях ?
A: Да, OEM доступен с разрешения наших клиентов.
Q6: какая у вас условия оплаты?
A: T / T или L / C, если вам нужен другой способ, пожалуйста, свяжитесь с нами.
Q7: каков ваш основной рынок?
A: Восточная Европа, Юго-Восточная Азия, Африка, Океания, Средний Восток, Восточная Азия, Западная Европа, Северная Америка, Южная Америка и так далее.
Q8: Что я могу получить от сотрудничества?
1. Уникальные клапаны с индивидуальным обслуживанием.
2. Своевременное изготовление и поставка, время - деньги.
3. Служба защиты рынка, долгосрочная бизнес-стратегия.
Если у вас есть какие-либо вопросы или вопросы, пожалуйста, свяжитесь с нами.
Получить предложение
Если вас интересуют наши продукты и вы хотите узнать больше деталей, пожалуйста, оставьте сообщение здесь, мы ответим вам как можно скорее.



