Клапан пережимной пневматический(шланговый) фланцевый DN40-300
Диаметр условного проход:от 40 до 300 мм
Рабочее давление:0.4 МПА
Контрольное давление :0.6 МПА
Температура рабочей среды: до 120 градусов
Рабочая среда:Минеральная пульпа, абразивы, сухая и влажная пыль
Класс герметичности: А по Гост 9544-2015
Диаметр условного прохода:от 250 до300 мм
Рабочее давление:0.3 МПА
Контрольное давление :0.45 МПА
Диаметр условного прохода:от 40 до 300 мм
Рабочее давление:0.4 МПА
Контрольное давление :0.6 МПА
Температура рабочей среды: до 120 градусов
Рабочая среда:Минеральная пульпа, абразивы, сухая и влажная пыль
Класс герметичности: А по Гост 9544-2015
Диаметр условного прохода:от 250 до300 мм
Рабочее давление:0.3 МПА
Контрольное давление :0.45 МПА
Конструкция:разборная
Материал корпуса:Чугун (ч) Алюминевывй сталь
Тип управления:ручное(маховик)
Материал Уплотнение:Натуральный каучук, EPDM
Тип присоединение:фланцевый
Материалы основных деталей
Корпус:Чугун ,Алюминевывй сталь
Патрубка:Натуральный каучук, EPDM
![]() |
![]() |
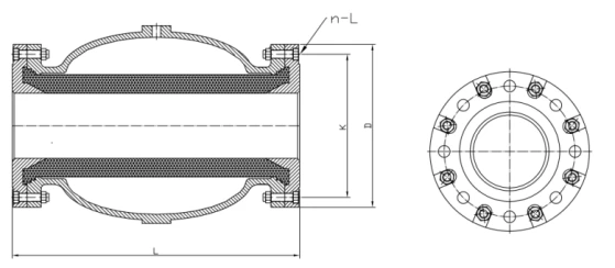
Основные технические характеристики
| DN | L | H | D | K | n-L |
| 40 | 150 | 40 | 145 | 110 | 4-18 |
| 50 | 180 | 60 | 160 | 125 | 4-18 |
| 65 | 180 | 60 | 180 | 145 | 4-18 |
| 80 | 220 | 75 | 195 | 160 | 4-18 |
| 100 | 274 | 95 | 215 | 180 | 8-18 |
| 125 | 345 | 120 | 245 | 210 | 8-18 |
| 150 | 414 | 145 | 280 | 240 | 8-23 |
| 200 | 550 | 182 | 335 | 295 | 8-23 |
| 250 | 680 | 229 | 390 | 350 | 12-23 |
| 300 | 820 | 278 | 440 | 400 | 12-23 |

Информационые обмены

Мы активно участвуем в различных отраслевых выставках, встречах по обмену и т. Д., Глубоко понимаем динамику отраслевых продуктов, онлайн-общение и проверки на местах, а также активно работаем над оптимизацией продуктов и техническими обновлениями, чтобы лучше соответствовать различным потребностям клиенты.Упаковка, доставка и оплата

Часто задаваемые вопросы
Q1: Какой срок производства ?
A.Это зависит от объема заказа.Обычно на ходовые позиции нужно 30 дней , если в складу есть в
наличии , сможем отправлять в течении 5-7 дней .
Q2: вы являетесь торговая компания или производитель?
A: Мы являемся производителем по запорной арматуре.
Q3: Можете ли вы производить по нашим чертежам?
A: Да, пожалуйста, отправьте нам свой собственный черновик. OEM-товары приветствуются.
Q4: У вас есть агент или представитель за границей?
A: У нас нет агента за границей.
Q5: Сможем ли мы отливать логотип на изделиях ?
A: Да, OEM доступен с разрешения наших клиентов.
Q6: какая у вас условия оплаты?
A: T / T или L / C, если вам нужен другой способ, пожалуйста, свяжитесь с нами.
Q7: каков ваш основной рынок?
A: Восточная Европа, Юго-Восточная Азия, Африка, Океания, Средний Восток, Восточная Азия, Западная Европа, Северная Америка, Южная Америка и так далее.
Q8: Что я могу получить от сотрудничества?
1. Уникальные клапаны с индивидуальным обслуживанием.
2. Своевременное изготовление и поставка, время - деньги.
3. Служба защиты рынка, долгосрочная бизнес-стратегия.
Если у вас есть какие-либо вопросы или вопросы, пожалуйста, свяжитесь с нами.
Получить предложение
Если вас интересуют наши продукты и вы хотите узнать больше деталей, пожалуйста, оставьте сообщение здесь, мы ответим вам как можно скорее.





