Затвор футерованный фланцевые
Диаметр условного проход:от 40 до 1200 мм
Условное давление:1.0 МПА 1.6 МПА
Температура рабочей среды: до 150 градусов
Рабочая среда:Химическая среда
Класс герметичности: А по Гост 9544-2015
Диаметр условного прохода:от 40 до 1200 мм
Условное давление:1.0 МПА 1.6 МПА
Температура рабочей среды: до 150 градусов
Рабочая среда:Химическая среда
Класс герметичности: А по Гост 9544-2015
Конструкция:с симтричным диском
Материал корпуса:углepoдиctaя сталь(с), легированная сталь(лс),нержавеющая сталь (нж)
Тип управления:ручное(маховик),редуктор(5),электропривод(9)
Материал Уплотнение:FEP(F46),PCTFE(F3)PTFE(F4)PFA,Po
Тип присоединение:фланцевое, Межфланцевый
Материалы основных деталей
Корпус:Чугун, WCB, 304,316L
Диск:DI,WCB,304,316L,2507.1.4529,с покрытием , NILON,C954
Фунтеровка:FEP(F46),PCTFE(F3)PTFE(F4)PFA,Po

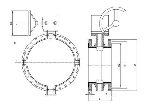
Основные технические характеристики
| PN | DN | L | D | D1 | D2 | f | b | Z-Φd | D0 | H |
| 10/16 | 40 | 106 | 145 | 110 | 85 | 3 | 18 | 4-Φ18 | 200 | 140 |
| 10/16 | 50 | 108 | 160 | 125 | 100 | 3 | 20 | 4-Φ18 | 200 | 160 |
| 10/16 | 65 | 112 | 180 | 145 | 120 | 3 | 22 | 8-Φ18 | 250 | 160 |
| 10/16 | 80 | 114 | 195 | 160 | 135 | 3 | 22 | 8-Φ18 | 250 | 170 |
| 10/16 | 100 | 127 | 230 | 190 | 160 | 3 | 24 | 8-Φ23 | 300 | 180 |
| 10/16 | 125 | 140 | 270 | 220 | 188 | 3 | 28 | 8-Φ25 | 300 | 275 |
| 10/16 | 150 | 140 | 300 | 250 | 218 | 3 | 30 | 8-Φ25 | 240* | 295 |
| 10/16 | 200 | 152 | 360 | 310 | 278 | 3 | 34 | 12-Φ25 | 240* | 320 |
| 10/16 | 250 | 250 | 425 | 370 | 332 | 3 | 36 | 12-Φ30 | 280* | 385 |
| 10/16 | 300 | 270 | 485 | 430 | 390 | 4 | 40 | 16-Φ30 | 280* | 390 |
| 10/16 | 350 | 290 | 550 | 490 | 448 | 4 | 44 | 16-Φ34 | 320* | 460 |
| 10/16 | 400 | 310 | 610 | 550 | 505 | 4 | 48 | 16-Φ34 | 320* | 510 |
| 10/16 | 450 | 330 | 660 | 600 | 555 | 4 | 50 | 20-Φ34 | 360* | 540 |
| 10/16 | 500 | 350 | 730 | 660 | 610 | 4 | 52 | 20-Φ41 | 360* | 570 |
| 10/16 | 600 | 390 | 840 | 770 | 718 | 5 | 56 | 20-Φ41 | 380* | 660 |
| 10/16 | 700 | 390 | 840 | 770 | 718 | 5 | 56 | 20-Φ41 | 380* | 660 |
| 10/16 | 800 | 390 | 840 | 770 | 718 | 5 | 56 | 20-Φ41 | 380* | 660 |
| 10/16 | 900 | 390 | 840 | 770 | 718 | 5 | 56 | 20-Φ41 | 380* | 660 |
| 10/16 | 1000 | 390 | 840 | 770 | 718 | 5 | 56 | 20-Φ41 | 380* | 660 |
| 10/16 | 1200 | 390 | 840 | 770 | 718 | 5 | 56 | 20-Φ41 | 380* | 660 |
Информационые обмены

Мы активно участвуем в различных отраслевых выставках, встречах по обмену и т. Д., Глубоко понимаем динамику отраслевых продуктов, онлайн-общение и проверки на местах, а также активно работаем над оптимизацией продуктов и техническими обновлениями, чтобы лучше соответствовать различным потребностям клиенты.Упаковка, доставка и оплата

Часто задаваемые вопросы
Q1: Какой срок производства ?
A.Это зависит от объема заказа.Обычно на ходовые позиции нужно 30 дней , если в складу есть в
наличии , сможем отправлять в течении 5-7 дней .
Q2: вы являетесь торговая компания или производитель?
A: Мы являемся производителем по запорной арматуре.
Q3: Можете ли вы производить по нашим чертежам?
A: Да, пожалуйста, отправьте нам свой собственный черновик. OEM-товары приветствуются.
Q4: У вас есть агент или представитель за границей?
A: У нас нет агента за границей.
Q5: Сможем ли мы отливать логотип на изделиях ?
A: Да, OEM доступен с разрешения наших клиентов.
Q6: какая у вас условия оплаты?
A: T / T или L / C, если вам нужен другой способ, пожалуйста, свяжитесь с нами.
Q7: каков ваш основной рынок?
A: Восточная Европа, Юго-Восточная Азия, Африка, Океания, Средний Восток, Восточная Азия, Западная Европа, Северная Америка, Южная Америка и так далее.
Q8: Что я могу получить от сотрудничества?
1. Уникальные клапаны с индивидуальным обслуживанием.
2. Своевременное изготовление и поставка, время - деньги.
3. Служба защиты рынка, долгосрочная бизнес-стратегия.
Если у вас есть какие-либо вопросы или вопросы, пожалуйста, свяжитесь с нами.
Получить предложение
Если вас интересуют наши продукты и вы хотите узнать больше деталей, пожалуйста, оставьте сообщение здесь, мы ответим вам как можно скорее.



