Электроприводы Z-образные
Взрывозащищенные :GR-BA.GR-BБ,GR-BB,GR-BГ,GR-BД
Невзрывозащищенные:GR-HA.GR-HБ,GR-HH,GR-HГ,GR-HД
Идивитуальные :(T)
Взрывозащищенные :GR-BA.GR-BБ,GR-BB,GR-BГ,GR-BД
Невзрывозащищенные:GR-HA.GR-HБ,GR-HH,GR-HГ,GR-HД
Идивитуальные :(T)
![]() |
![]() |
Основные технические характеристики
| Модель | Номинальные крутящий момент | Мах оборот | Мах диаметр штока | Выходные обороты об/мин | Мощность.кВт | Питание (V) | Присоединительный размер |
| GR-HA-10 | 100 | 50 | 28 | 24 | 0.25 | 380 | 100X100 |
| GR-HA-15 | 150 | 50 | 28 | 24 | 0.25 | 380 | 100X100 |
| GR-HБ-30 | 300 | 50 | 40 | 24 | 0.75 | 380 | 122X122 |
| GR-HB-60 | 600 | 120 | 48 | 24 | 1.5 | 380 | 200X200 |
| GR-HB-90 | 900 | 120 | 60 | 24 | 3 | 380 | 200X200 |
| GR-HB-120 | 1200 | 120 | 60 | 24 | 3 | 380 | 200X200 |
| GR-HГ-180 | 1800 | 150 | 70 | 24 | 5.5 | 380 | 285X285 |
| GR-HГ-250 | 2500 | 150 | 70 | 24 | 5.5 | 380 | 285X285 |
| GR-HД-500 | 5000 | 250 | 80 | 24 | 10 | 380 | 360X360 |
Входный сигнал:4mA-20mA;пассивный контакт
Электрическое питание стандартный:
Три фазы: АС380V(50Hz)
Особый Три фазы: АС660V,AC440V,AC415V(50Hz,60Hz)
Симплекс AC220V,AC110V(50Hz,60Hz)
Прямой DC12V,DC24V,DC48V
Допуск≤1%
Степень защиты:IP65,IP68...
Взрывозащищенный степень:ExdⅡBT4,ExdⅡCT4,
Температура окружающей среды:~30℃-+70℃(на вы бор -40℃-+100℃)
Влажность окружающей среды≤95%(25℃)
Класс изоляции: Класс H

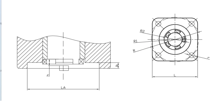
| LA | b | h | L | R | R1 | R2 | r | |
| A | 70 | 5 | 5 | 100 | 104 | 44 | 32 | 14 |
| Б | 108 | 8 | 8 | 122 | 135 | 59 | 45 | 14 |
| B | 155 | 12 | 10 | 200 | 220 | 84 | 50 | M20 |
| B | 155 | 12 | 10 | 200 | 220 | 84 | 60 | M20 |
| Г | 240 | 12 | 12 | 285 | 330 | 148 | 70 | M20 |
| Д | 320 | 15 | 12 | 360 | 400 | 214 | 80 | 34 |
Информационые обмены

Мы активно участвуем в различных отраслевых выставках, встречах по обмену и т. Д., Глубоко понимаем динамику отраслевых продуктов, онлайн-общение и проверки на местах, а также активно работаем над оптимизацией продуктов и техническими обновлениями, чтобы лучше соответствовать различным потребностям клиенты.Упаковка, доставка и оплата

Часто задаваемые вопросы
Q1:Какой срок производства ?
A.Это зависит от объема заказа.Обычно на ходовые позиции нужно 30 дней , если в складу есть в
наличии , сможем отправлять в течении 5-7 дней .
Q2: вы являетесь торговая компания или производитель?
A: Мы являемся производителем по запорной арматуре.
Q3: Можете ли вы производить по нашим чертежам?
A: Да, пожалуйста, отправьте нам свой собственный черновик. OEM-товары приветствуются.
Q4: У вас есть агент или представитель за границей?
A: У нас нет агента за границей.
Q5: Сможем ли мы отливать логотип на изделиях ?
A: Да, OEM доступен с разрешения наших клиентов.
Q6:какая у вас условия оплаты?
A: T / T или L / C, если вам нужен другой способ, пожалуйста, свяжитесь с нами.
Q7: каков ваш основной рынок?
A: Восточная Европа, Юго-Восточная Азия, Африка, Океания, Средний Восток, Восточная Азия, Западная Европа, Северная Америка, Южная Америка и так далее.
Q8: Что я могу получить от сотрудничества?
1. Уникальные клапаны с индивидуальным обслуживанием.
2. Своевременное изготовление и поставка, время - деньги.
3. Служба защиты рынка, долгосрочная бизнес-стратегия.
Если у вас есть какие-либо вопросы или вопросы, пожалуйста, свяжитесь с нами.
Получить предложение
Если вас интересуют наши продукты и вы хотите узнать больше деталей, пожалуйста, оставьте сообщение здесь, мы ответим вам как можно скорее.





