Клапаны обратные подъемные DN 15-300 РN 25
Диаметр условного проход:от 15 до 300 мм
Условное давление:2.5 МПА
Рабочая среда:Вода, пар, нефтявые продукты
Температура рабочей среды:До 425 градусов (углеродистые стали)
До 525 градусов (нержавеющие стали)
Класс герметичности: C по Гост 9544-2015
Диаметр условного проход:от 15 до 300 мм
Условное давление:2.5 МПА
Рабочая среда:Вода, пар, нефтявые продукты
Температура рабочей среды:До 425 градусов (углеродистые стали)
До 525 градусов (нержавеющие стали)
Класс герметичности: C по Гост 9544-2015
Конструкция:Обратный подъемный
Материал корпуса:углepoдиctaя сталь(с), легированная сталь(лс),нержавеющая сталь (нж)
Тип управления:Самостоятельно
Материал Уплотнение:меттал по метталу(нж)
Тип присоединение:фланцевое, под приварку
| Маркировка | 16с10нж,16с10п | 16лс10нж,16лс10п | 16нж10нж,16нж10п |
Материалы основных деталей
Корпус:Сталь 20Л, 25Л,20ГЛ,12Х18Н9,12Х18Н9ТЛ,10Х17Н13М2Т
Захлопка:Сталь 20Л, 25Л,20ГЛ,12Х18Н9,12Х18Н9ТЛ,10Х17Н13М2Т
Крышка:Сталь 20Л, 25Л,20ГЛ,12Х18Н9,12Х18Н9ТЛ,10Х17Н13М2Т
Шпиндель:Сталь 20Х13,12Х18Н9,12Х18Н9ТЛ
Прокладка:ТРГ
Наплавка на клине:Сталь 20х13,Сталь 547 (Mo),Стеллик
Наплавка на корпусе:Сталь 20х13,Сталь 547 (Mo),Стеллик

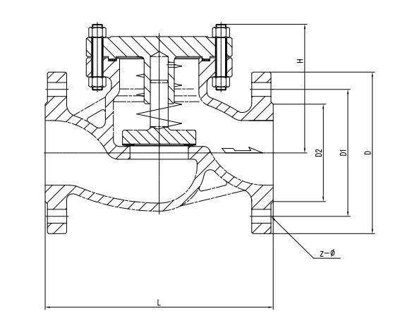
Основные технические характеристики
| PN | DN | L | D | D1 | D2 | z-ф | H |
| 25 | 15 | 130 | 95 | 65 | 45 | 4-Φ14 | 90 |
| 25 | 20 | 150 | 105 | 75 | 55 | 4-Φ14 | 105 |
| 25 | 25 | 160 | 115 | 85 | 65 | 4-Φ14 | 115 |
| 25 | 32 | 180 | 135 | 100 | 78 | 4-Φ18 | 120 |
| 25 | 40 | 200 | 145 | 110 | 85 | 4-Φ18 | 130 |
| 25 | 50 | 230 | 160 | 125 | 100 | 4-Φ18 | 140 |
| 25 | 65 | 290 | 180 | 145 | 120 | 8-Φ18 | 150 |
| 25 | 80 | 310 | 195 | 160 | 135 | 8-Φ18 | 170 |
| 25 | 100 | 350 | 230 | 190 | 160 | 8-Φ23 | 185 |
| 25 | 125 | 400 | 270 | 220 | 188 | 8-Φ25 | 195 |
| 25 | 150 | 480 | 300 | 250 | 218 | 8-Φ25 | 225 |
| 25 | 200 | 600 | 360 | 310 | 278 | 12-Φ25 | 250 |
| 25 | 250 | 650 | 425 | 370 | 335 | 12-Φ30 | 270 |
| 25 | 300 | 750 | 485 | 430 | 390 | 16-Φ30 | 300 |
Информационые обмены

Мы активно участвуем в различных отраслевых выставках, встречах по обмену и т. Д., Глубоко понимаем динамику отраслевых продуктов, онлайн-общение и проверки на местах, а также активно работаем над оптимизацией продуктов и техническими обновлениями, чтобы лучше соответствовать различным потребностям клиенты.
Упаковка, доставка и оплата

Часто задаваемые вопросы
Q1: Какой срок производства ?
A.Это зависит от объема заказа.Обычно на ходовые позиции нужно 30 дней , если в складу есть в
наличии , сможем отправлять в течении 5-7 дней .
Q2: вы являетесь торговая компания или производитель?
A: Мы являемся производителем по запорной арматуре.
Q3: Можете ли вы производить по нашим чертежам?
A: Да, пожалуйста, отправьте нам свой собственный черновик. OEM-товары приветствуются.
Q4: У вас есть агент или представитель за границей?
A: У нас нет агента за границей.
Q5: Сможем ли мы отливать логотип на изделиях ?
A: Да, OEM доступен с разрешения наших клиентов.
Q6: какая у вас условия оплаты?
A: T / T или L / C, если вам нужен другой способ, пожалуйста, свяжитесь с нами.
Q7: каков ваш основной рынок?
A: Восточная Европа, Юго-Восточная Азия, Африка, Океания, Средний Восток, Восточная Азия, Западная Европа, Северная Америка, Южная Америка и так далее.
Q8: Что я могу получить от сотрудничества?
1. Уникальные клапаны с индивидуальным обслуживанием.
2. Своевременное изготовление и поставка, время - деньги.
3. Служба защиты рынка, долгосрочная бизнес-стратегия.
Если у вас есть какие-либо вопросы или вопросы, пожалуйста, свяжитесь с нами.
Получить предложение
Если вас интересуют наши продукты и вы хотите узнать больше деталей, пожалуйста, оставьте сообщение здесь, мы ответим вам как можно скорее.



