Затвор межфланцевый поворотный дисковый трехэксцентриковый PN10/PN16/PN25
Диаметр условного проход:от 50 до 2000 мм
Условное давление:1.0 МПА 1.6 МПА
Температура рабочей среды: до 425 градусов
Рабочая среда:Вода пар и нефтявые продукты
Класс герметичности: А по Гост 9544-2015
Диаметр условного проход:от 50 до 2000 мм
Условное давление:1.0 МПА 1.6 МПА
Температура рабочей среды: до 425 градусов
Рабочая среда:Вода пар и нефтявые продукты
Класс герметичности: А по Гост 9544-2015
Конструкция:
Материал корпуса:углepoдиctaя сталь(с), легированная сталь(лс),нержавеющая сталь (нж)
Тип управления:ручное(маховик),редуктор(5),электропривод(9)
Материал Уплотнение:EPDM,PTFE,VITON,NBR
Тип присоединение:фланцевое, Межфланцевый,под приварку
Направление рабочей среды:Одностороное, двухстроное
Материалы основных деталей
Корпус:Чугун, сталь 20,20ГЛ, 304,316L
Диск:Чугун, сталь 20,20ГЛ, 304,316L
Уплотнение :нж+графит,EPDM
Направление рабочей среды:Одностороное, двухстроное

Основные технические характеристики
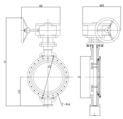
| PN | DN | L | D1 | D | Z-Φd | H | H1 | W | W1 |
| 10/16 | 50 | 43 | 125 | 102 | 4-18 | 360 | 112 | 200 | 200 |
| 65 | 46 | 145 | 122 | 4-18 | 380 | 115 | 200 | 200 | |
| 80 | 49 | 160 | 133 | 8-18 | 445 | 120 | 220 | 200 | |
| 100 | 56 | 180 | 158 | 8-18 | 490 | 140 | 240 | 200 | |
| 125 | 64 | 210 | 184 | 8-18 | 490 | 170 | 260 | 200 | |
| 150 | 70 | 240 | 212 | 8-23 | 630 | 180 | 280 | 280 | |
| 200 | 71 | 295 | 268 | 8-23 | 690 | 210 | 320 | 280 | |
| 250 | 76 | 350 | 320 | 12-23 | 830 | 240 | 360 | 280 | |
| 300 | 83 | 400 | 370 | 12-23 | 930 | 290 | 460 | 420 | |
| 350 | 92 | 460 | 430 | 16-23 | 1010 | 320 | 500 | 420 | |
| 400 | 102 | 515 | 482 | 16-25 | 1070 | 350 | 540 | 420 | |
| 450 | 114 | 565 | 532 | 20-25 | 1140 | 380 | 580 | 420 | |
| 500 | 127 | 620 | 585 | 20-25 | 1200 | 410 | 620 | 420 | |
| 600 | 154 | 725 | 685 | 20-30 | 1340 | 470 | 660 | 420 | |
| 700 | 165 | 840 | 800 | 24-30 | 1600 | 550 | 750 | 550 | |
| 800 | 190 | 950 | 905 | 24-34 | 1780 | 640 | 800 | 550 | |
| 900 | 203 | 1050 | 1005 | 28-34 | 1920 | 710 | 850 | 550 | |
| 1000 | 216 | 1160 | 1110 | 28-34 | 1960 | 770 | 1000 | 750 | |
| 1200 | 254 | 1380 | 1330 | 32-41 | 2360 | 875 | 1050 | 750 | |
| 1400 | 279 | 1590 | 1530 | 36-48 | 2530 | 970 | 800 | 890 | |
| 1600 | 318 | 1820 | 1750 | 40-54 | 2640 | 1100 | 800 | 890 | |
| 1800 | 356 | 2020 | 1950 | 44-54 | 2800 | 1200 | 830 | 920 | |
| 2000 | 406 | 2230 | 2150 | 48-54 | 3100 | 1290 | 850 | 940 |

Информационые обмены

Мы активно участвуем в различных отраслевых выставках, встречах по обмену и т. Д., Глубоко понимаем динамику отраслевых продуктов, онлайн-общение и проверки на местах, а также активно работаем над оптимизацией продуктов и техническими обновлениями, чтобы лучше соответствовать различным потребностям клиенты.
Упаковка, доставка и оплата

Часто задаваемые вопросы
Q1: Какой срок производства ?
A.Это зависит от объема заказа.Обычно на ходовые позиции нужно 30 дней , если в складу есть в
наличии , сможем отправлять в течении 5-7 дней .
Q2: вы являетесь торговая компания или производитель?
A: Мы являемся производителем по запорной арматуре.
Q3: Можете ли вы производить по нашим чертежам?
A: Да, пожалуйста, отправьте нам свой собственный черновик. OEM-товары приветствуются.
Q4: У вас есть агент или представитель за границей?
A: У нас нет агента за границей.
Q5: Сможем ли мы отливать логотип на изделиях ?
A: Да, OEM доступен с разрешения наших клиентов.
Q6: какая у вас условия оплаты?
A: T / T или L / C, если вам нужен другой способ, пожалуйста, свяжитесь с нами.
Q7: каков ваш основной рынок?
A: Восточная Европа, Юго-Восточная Азия, Африка, Океания, Средний Восток, Восточная Азия, Западная Европа, Северная Америка, Южная Америка и так далее.
Q8: Что я могу получить от сотрудничества?
1. Уникальные клапаны с индивидуальным обслуживанием.
2. Своевременное изготовление и поставка, время - деньги.
3. Служба защиты рынка, долгосрочная бизнес-стратегия.
Если у вас есть какие-либо вопросы или вопросы, пожалуйста, свяжитесь с нами.
Получить предложение
Если вас интересуют наши продукты и вы хотите узнать больше деталей, пожалуйста, оставьте сообщение здесь, мы ответим вам как можно скорее.



