Затвор межфланцевый поворотный дисковый с симметричным диском PN10/PN16
Диаметр условного проход:от 40 до 1200 мм
Условное давление:1.0 МПА-1,6МПА
Температура рабочей среды:до 150 градусов
Рабочая среда:Вода, пар, нефтявые продукты
Температура рабочей среды:до 150 градусов
Класс герметичности: А по Гост 9544-2015
Диаметр условного прохода:от 40 до 1200 мм
Условное давление:1.0 МПА-1,6МПА
Температура рабочей среды:до 150 градусов
Рабочая среда:Вода, пар, нефтявые продукты
Температура рабочей среды:до 150 градусов
Класс герметичности: А по Гост 9544-2015
Конструкция
Материал корпуса:углepoдиctaя сталь(с), легированная сталь(лс),нержавеющая сталь (нж)
Тип управления:ручное(маховик),редуктор(5),электропривод(9)
Материал Уплотнение:EPDM,PTFE,VITON,NBR
Тип присоединение:фланцевое, Межфланцевый,с резьбовыми проушинами
Материалы основных деталей
Корпус:Чугун, WCB, 304,316L
Диск:DI,WCB,304,316L,2507.1.4529,с покрытием , NILON,C954
Уплотнение:EPDM,PTFE,VITON,NBR
![]() |
![]() |
![]() |
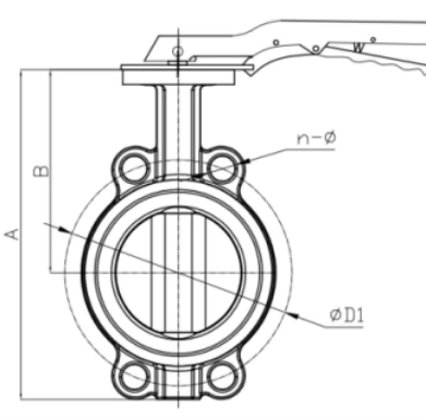
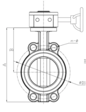
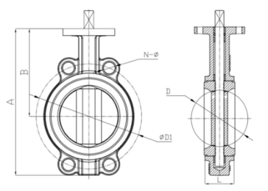
Основные технические характеристики
| DN | A | B | L | D | D1 | n-Φ |
| 40 | 136 | 69 | 33 | 42.6 | 110 | 4-18 |
| 50 | 161 | 80 | 41 | 52.9 | 125 | 4-23 |
| 65 | 175 | 89 | 44 | 64.5 | 145 | 4-26.5 |
| 80 | 181 | 95 | 44 | 78.8 | 160 | 8-18 |
| 100 | 200 | 114 | 51 | 104 | 180 | 4-24.5 |
| 125 | 213 | 127 | 54 | 123.3 | 210 | 4-23 |
| 150 | 226 | 139 | 54 | 155.6 | 240 | 4-25 |
| 200 | 260 | 175 | 59 | 202.5 | 295 | 4-25/4-23 |
| 250 | 292 | 203 | 65 | 250.5 | 350/355 | 4-29 |
| 300 | 337 | 242 | 75 | 301.6 | 400/410 | 4-29 |
| 350 | 368 | 267 | 75 | 333.3 | 460/470 | 4-30 |
| 400 | 400 | 325 | 85 | 389.6 | 515/525 | 4-26/4-30 |
| 450 | 422 | 345 | 104 | 440.51 | 565/585 | 4-26/4-30 |
| 500 | 480 | 378 | 130 | 491.6 | 620/650 | 4-26/4-33 |
| 600 | 562 | 475 | 154 | 592.5 | 725/770 | 20-30/20-36 |
| 700 | 624 | 535 | 165 | 695 | 840 | 24-30 |
| 800 | 672 | 606 | 190 | 794.7 | 950 | 24-33 |
| 900 | 720 | 670 | 203 | 864.7 | 1050 | 24-33 |
| 1000 | 800 | 735 | 216 | 965 | 1160/1170 | 24-36 |
| 1200 | 940.7 | 878 | 254 | 1160 | 1380/1390 | 32-39 |
Информационые обмены

Мы активно участвуем в различных отраслевых выставках, встречах по обмену и т. Д., Глубоко понимаем динамику отраслевых продуктов, онлайн-общение и проверки на местах, а также активно работаем над оптимизацией продуктов и техническими обновлениями, чтобы лучше соответствовать различным потребностям клиенты.
Упаковка, доставка и оплата

Часто задаваемые вопросы
Q1: Какой срок производства ?
A.Это зависит от объема заказа.Обычно на ходовые позиции нужно 30 дней , если в складу есть в
наличии , сможем отправлять в течении 5-7 дней .
Q2: вы являетесь торговая компания или производитель?
A: Мы являемся производителем по запорной арматуре.
Q3: Можете ли вы производить по нашим чертежам?
A: Да, пожалуйста, отправьте нам свой собственный черновик. OEM-товары приветствуются.
Q4: У вас есть агент или представитель за границей?
A: У нас нет агента за границей.
Q5: Сможем ли мы отливать логотип на изделиях ?
A: Да, OEM доступен с разрешения наших клиентов.
Q6: какая у вас условия оплаты?
A: T / T или L / C, если вам нужен другой способ, пожалуйста, свяжитесь с нами.
Q7: каков ваш основной рынок?
A: Восточная Европа, Юго-Восточная Азия, Африка, Океания, Средний Восток, Восточная Азия, Западная Европа, Северная Америка, Южная Америка и так далее.
Q8: Что я могу получить от сотрудничества?
1. Уникальные клапаны с индивидуальным обслуживанием.
2. Своевременное изготовление и поставка, время - деньги.
3. Служба защиты рынка, долгосрочная бизнес-стратегия.
Если у вас есть какие-либо вопросы или вопросы, пожалуйста, свяжитесь с нами.
Получить предложение
Если вас интересуют наши продукты и вы хотите узнать больше деталей, пожалуйста, оставьте сообщение здесь, мы ответим вам как можно скорее.






