Затвор поворотный дисковый трехэксцентриковый под приварку DN40-1200 PN10
Диаметр условного проход:от 80 до 2000 мм
Условное давление:1.0 МПА 1.6 МПА
Температура рабочей среды: до 425 градусов
Рабочая среда:Вода пар и нефтявые продукты
Класс герметичности: А по Гост 9544-2015
Диаметр условного прохода:от 40 до 1200 мм
Условное давление:1.0 МПА
Температура рабочей среды: до 425 градусов
Рабочая среда:Вода пар и нефтявые продукты
Класс герметичности: А по Гост 9544-2015
Конструкция:
Материал корпуса:углepoдиctaя сталь(с), легированная сталь(лс),нержавеющая сталь (нж)
Тип управления:ручное(маховик),редуктор(5),электропривод(9)
Материал Уплотнение:EPDM,PTFE,VITON,NBR
Тип присоединение:фланцевое, Межфланцевый,под приварку
Направление рабочей среды:Одностороное, двухстроное
Материалы основных деталей
Корпус,:Чугун, сталь 20,20ГЛ, 304,316L
Диск:Чугун, сталь 20,20ГЛ, 304,316L
Уплотнение :нж+графит,EPDM
Направление рабочей среды:Одностороное, двухстроное

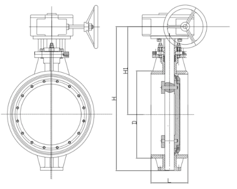
Основные технические характеристики
| DN | L | D | 1.0MPa | 1.6MPa | 2.5MPa | 4.0MPa | ||||||
| H1 | H | H1 | H | H1 | H | H1 | H | |||||
| 80 | 114 | 96 | 280 | 390 | 280 | 390 | 280 | 390 | 280 | 390 | ||
| 100 | 127 | 116 | 280 | 390 | 28 | 390 | 280 | 390 | 280 | 390 | ||
| 125 | 200 | 140 | 300 | 420 | 300 | 420 | 300 | 420 | 300 | 420 | ||
| 150 | 210 | 166 | 320 | 460 | 320 | 460 | 320 | 460 | 320 | 460 | ||
| 200 | 230 | 222 | 370 | 550 | 370 | 550 | 370 | 550 | 370 | 550 | ||
| 250 | 250 | 278 | 420 | 620 | 420 | 620 | 420 | 620 | 420 | 620 | ||
| 300 | 270 | 330 | 500 | 750 | 500 | 750 | 500 | 750 | 500 | 750 | ||
| 350 | 290 | 382 | 530 | 800 | 530 | 8De | 530 | 800 | 530 | a00 | ||
| 400 | 310 | 432 | 570 | 870 | 570 | 870 | 570 | 870 | 570 | 870 | ||
| 450 | 330 | 484 | 600 | 920 | 600 | 920 | 600 | 920 | 600 | 920 | ||
| 500 | 350 | 535 | 680 | 1040 | 68 | 1040 | 680 | 1040 | 680 | 1040 | ||
| 600 | 390 | 636 | 750 | 1190 | 750 | 1190 | 750 | 1190 | 750 | 1190 | ||
| 700 | 430 | 726 | 810 | 1290 | 810 | 1290 | 8ta | 1290 | 1 | 1 | ||
| 800 | 470 | 826 | 905 | 1440 | 905 | 1440 | 905 | 1440 | 1 | 1 | ||
| 900 | 510 | 926 | 960 | 1550 | 960 | 1550 | 960 | 1550 | 1 | / | ||
| 1000 | 550 | 1028 | 1010 | 1650 | 1010 | 1650 | 1010 | 1650 | 1 | 1 | ||
| 1200 | 630 | 1228 | 1175 | 1920 | 1175 | 1920 | 1175 | 1920 | 1 | 1 | ||
| 1400 | 710 | 1428 | 1310 | 2170 | 1310 | 2170 | / | 1 | 1 | / | ||
| 1600 | 790 | 1628 | 1460 | 2440 | 1460 | 2440 | 1 | 1 | 1 | 1 | ||
| 1800 | 870 | 1828 | 1560 | 2650 | 1560 | 2650 | 1 | 1 | 1 | / | ||
| 2000 | 950 | 2028 | 1670 | 2860 | 1670 | 2860 | 1 | 1 | / | |||

Информационые обмены

Мы активно участвуем в различных отраслевых выставках, встречах по обмену и т. Д., Глубоко понимаем динамику отраслевых продуктов, онлайн-общение и проверки на местах, а также активно работаем над оптимизацией продуктов и техническими обновлениями, чтобы лучше соответствовать различным потребностям клиенты.
Упаковка, доставка и оплата

Часто задаваемые вопросы
Q1: Какой срок производства ?
A.Это зависит от объема заказа.Обычно на ходовые позиции нужно 30 дней , если в складу есть в
наличии , сможем отправлять в течении 5-7 дней .
Q2: вы являетесь торговая компания или производитель?
A: Мы являемся производителем по запорной арматуре.
Q3: Можете ли вы производить по нашим чертежам?
A: Да, пожалуйста, отправьте нам свой собственный черновик. OEM-товары приветствуются.
Q4: У вас есть агент или представитель за границей?
A: У нас нет агента за границей.
Q5: Сможем ли мы отливать логотип на изделиях ?
A: Да, OEM доступен с разрешения наших клиентов.
Q6: какая у вас условия оплаты?
A: T / T или L / C, если вам нужен другой способ, пожалуйста, свяжитесь с нами.
Q7: каков ваш основной рынок?
A: Восточная Европа, Юго-Восточная Азия, Африка, Океания, Средний Восток, Восточная Азия, Западная Европа, Северная Америка, Южная Америка и так далее.
Q8: Что я могу получить от сотрудничества?
1. Уникальные клапаны с индивидуальным обслуживанием.
2. Своевременное изготовление и поставка, время - деньги.
3. Служба защиты рынка, долгосрочная бизнес-стратегия.
Если у вас есть какие-либо вопросы или вопросы, пожалуйста, свяжитесь с нами.
Получить предложение
Если вас интересуют наши продукты и вы хотите узнать больше деталей, пожалуйста, оставьте сообщение здесь, мы ответим вам как можно скорее.



