Затвор фланцевый вентиляционный DN100-4000
Диаметр условного проход:от 100 до 4000 мм
Условное давление:0.05 МПА,0.10 МПА,0.25 МПА,0.6 МПА
Температура рабочей среды:
Рабочая среда:Газ
Класс герметичности: С по Гост 9544-2015
Диаметр условного прохода:от 100 до 4000 мм
Условное давление:0.05 МПА,0.10 МПА,0.25 МПА,0.6 МПА
Температура рабочей среды:
Рабочая среда:Газ
Класс герметичности: С по Гост 9544-2015
Конструкция:Фланцевый
Материал корпуса:углepoдиctaя сталь(с), легированная сталь(лс),нержавеющая сталь (нж)
Тип управления:учное(маховик),редуктор(5),электропривод(9)
Материал Уплотнение:меттал по метталу
Тип присоединение:Фланцевое
Направление рабочей среды:Одностороное
Материалы основных деталей
Корпус:Чугун, сталь 20,20ГЛ, 304,316L
Диск:Чугун, сталь 20,20ГЛ, 304,316L
Уплотнение:нж+графит

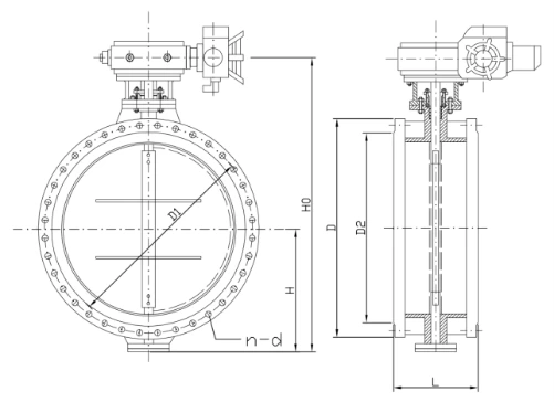
Основные технические характеристики
| DN | L | H | HO | 0.05-0.1MPa | 0.25MPa | 0.6MPa | |||||||||
| D | D1 | D2 | n-d | D | D1 | D2 | n-d | D | D1 | D2 | n-d | ||||
| 100 | 127 | 105 | 486 | 210 | 190 | 144 | 4-18 | 210 | 190 | 144 | 4-18 | 210 | 190 | 144 | 4-19 |
| 125 | 140 | 120 | 516 | 240 | 200 | 174 | 8-18 | 240 | 200 | 174 | 8-18 | 240 | 200 | 174 | 8-19 |
| 150 | 140 | 132 | 541 | 265 | 225 | 199 | 8-18 | 265 | 225 | 199 | 8-18 | 265 | 225 | 199 | 8-19 |
| 200 | 152 | 160 | 779 | 320 | 280 | 254 | 8-18 | 320 | 280 | 254 | 8-18 | 320 | 280 | 254 | 8-19 |
| 250 | 165 | 187 | 836 | 375 | 335 | 309 | 12-18 | 375 | 335 | 309 | 12-18 | 375 | 335 | 309 | 12-19 |
| 300 | 180 | 220 | 901 | 440 | 395 | 363 | 12-22 | 440 | 395 | 363 | 12-22 | 440 | 395 | 363 | 12-23 |
| 350 | 180 | 245 | 954 | 490 | 445 | 413 | 12-22 | 490 | 445 | 413 | 12-22 | 490 | 445 | 413 | 12-23 |
| 40D | 200 | 270 | 1003 | 540 | 495 | 463 | 16-22 | 540 | 495 | 463 | 16-22 | 540 | 495 | 463 | 16-23 |
| 450 | 200 | 297 | 1058 | 595 | 550 | 518 | 16-22 | 595 | 550 | 518 | 16-22 | 595 | 550 | 518 | 16-23 |
| 500 | 220 | 322 | 1111 | 645 | 600 | 568 | 20-22 | 645 | 600 | 568 | 20-22 | 645 | 600 | 568 | 20-23 |
| 600 | 220 | 377 | 1233 | 755 | 705 | 667 | 20-26 | 755 | 705 | 667 | 20-26 | 755 | 705 | 667 | 20-26 |
| 700 | 240 | 430 | 1338 | 860 | 810 | 772 | 24-26 | 860 | 810 | 772 | 24-26 | 860 | 810 | 772 | 24-26 |
| 800 | 240 | 487 | 1452 | 975 | 920 | 878 | 24-30 | 975 | 920 | 878 | 24-30 | 975 | 920 | 878 | 24-31 |
| 900 | 260 | 537 | 1588 | 1075 | 1020 | 978 | 24-30 | 1075 | 1020 | 978 | 24-30 | 1075 | 1020 | 978 | 24-31 |
| 1000 | 280 | 587 | 1689 | 1175 | 1120 | 1078 | 28-30 | 1175 | 1120 | 1078 | 28-30 | 1175 | 1120 | 1078 | 28-31 |
| 1200 | 280 | 702 | 1938 | 1375 | 1320 | 1280 | 32-30 | 1375 | 1320 | 1280 | 32-30 | 1405 | 1340 | 1295 | 32-34 |
| 1400 | 300 | 782 | 2670 | 1575 | 1520 | 1480 | 36-30 | 1575 | 1520 | 1480 | 36-30 | 1630 | 1560 | 1510 | 36-37 |
| 1600 | 320 | 895 | 2810 | 1790 | 1730 | 1690 | 40-30 | 1790 | 1730 | 1690 | 40-30 | 1830 | 1760 | 1710 | 40-37 |
| 1800 | 340 | 995 | 3020 | 1990 | 1930 | 1890 | 44-30 | 1990 | 1930 | 1890 | 44-30 | 2045 | 1970 | 1918 | 44-40 |
| 2000 | 360 | 1095 | 3220 | 2190 | 2130 | 2090 | 48-30 | 2190 | 2130 | 2090 | 48-30 | 2265 | 2180 | 2125 | 48-43 |
| 2200 | 380 | 1200 | 3430 | 2405 | 2340 | 2295 | 52-33 | 2405 | 2340 | 2295 | 52-33 | 2475 | 2390 | 2335 | 52-43 |
| 2400 | 400 | 1310 | 3650 | 2605 | 2540 | 2495 | 56-33 | 2605 | 2540 | 2495 | 56-33 | 2685 | 2600 | 2545 | 56-43 |
| 2600 | 420 | 1420 | 3920 | 2805 | 2740 | 2695 | 60-33 | 2805 | 2740 | 2695 | 60-33 | 2905 | 2810 | 2750 | 60-49 |
| 2800 | 440 | 1530 | 4140 | 3030 | 2960 | 2910 | 64-36 | 3030 | 2960 | 2910 | 64-36 | 3115 | 3020 | 2960 | 64-49 |
| 3000 | 460 | 1640 | 4360 | 3230 | 3160 | 3110 | 68-36 | 3230 | 3160 | 3110 | 68-36 | 3315 | 3220 | 3160 | 68-49 |
| 3200 | 480 | 1760 | 4620 | 3430 | 3360 | 3310 | 72-36 | 3430 | 3360 | 3310 | 72-36 | 3525 | 3430 | 3360 | 72-49 |
| 3400 | 500 | 1870 | 4840 | 3630 | 3560 | 3510 | 76-36 | 3630 | 3560 | 3510 | 76-36 | 3735 | 3640 | 3560 | 76-49 |
| 3600 | 520 | 1980 | 5060 | 3840 | 3770 | 3720 | 80-36 | 3840 | 3770 | 3720 | 80-36 | 3970 | 3860 | 3720 | 80-56 |
| 3800 | 540 | 2120 | 5400 | 4045 | 3970 | 3920 | 80-39 | 4045 | 3970 | 3920 | 80-39 | 4180 | 4070 | 3970 | 80-62 |
| 4000 | 560 | 2230 | 5620 | 4245 | 4170 | 4120 | 84-39 | 4245 | 4170 | 4120 | 84-39 | 4380 | 4270 | 4170 | 84-82 |

Информационые обмены

Мы активно участвуем в различных отраслевых выставках, встречах по обмену и т. Д., Глубоко понимаем динамику отраслевых продуктов, онлайн-общение и проверки на местах, а также активно работаем над оптимизацией продуктов и техническими обновлениями, чтобы лучше соответствовать различным потребностям клиенты.Упаковка, доставка и оплата

Часто задаваемые вопросы
Q1: Какой срок производства ?
A.Это зависит от объема заказа.Обычно на ходовые позиции нужно 30 дней , если в складу есть в
наличии , сможем отправлять в течении 5-7 дней .
Q2: вы являетесь торговая компания или производитель?
A: Мы являемся производителем по запорной арматуре.
Q3: Можете ли вы производить по нашим чертежам?
A: Да, пожалуйста, отправьте нам свой собственный черновик. OEM-товары приветствуются.
Q4: У вас есть агент или представитель за границей?
A: У нас нет агента за границей.
Q5: Сможем ли мы отливать логотип на изделиях ?
A: Да, OEM доступен с разрешения наших клиентов.
Q6: какая у вас условия оплаты?
A: T / T или L / C, если вам нужен другой способ, пожалуйста, свяжитесь с нами.
Q7: каков ваш основной рынок?
A: Восточная Европа, Юго-Восточная Азия, Африка, Океания, Средний Восток, Восточная Азия, Западная Европа, Северная Америка, Южная Америка и так далее.
Q8: Что я могу получить от сотрудничества?
1. Уникальные клапаны с индивидуальным обслуживанием.
2. Своевременное изготовление и поставка, время - деньги.
3. Служба защиты рынка, долгосрочная бизнес-стратегия.
Если у вас есть какие-либо вопросы или вопросы, пожалуйста, свяжитесь с нами.
Получить предложение
Если вас интересуют наши продукты и вы хотите узнать больше деталей, пожалуйста, оставьте сообщение здесь, мы ответим вам как можно скорее.



