Затвор фланцевый поворотный дисковый с симметричным диском PN10/PN16
Диаметр условного проход:от 50 до 2000 мм
Условное давление:1.0 МПА-1.6МПА
Температура рабочей среды:до 150 градусов
Рабочая среда:Вода, пар, нефтявые продукты
Температура рабочей среды:до 150 градусов
Класс герметичности: А по Гост 9544-2015
Диаметр условного прохода:от 50 до 2000 мм
Условное давление:1.0 МПА-1.6МПА
Температура рабочей среды:до 150 градусов
Рабочая среда:Вода, пар, нефтявые продукты
Температура рабочей среды:до 150 градусов
Класс герметичности: А по Гост 9544-2015
Конструкция
Материал корпуса:углepoдиctaя сталь(с), легированная сталь(лс),нержавеющая сталь (нж)
Тип управления:ручное(маховик),редуктор(5),электропривод(9)
Материал Уплотнение:EPDM,PTFE,VITON,NBR
Тип присоединение:фланцевое, Межфланцевый,с резьбовыми проушинами
Материалы основных деталей
Корпус:Чугун, WCB, 304,316L
Диск:DI,WCB,304,316L,2507.1.4529,с покрытием , NILON,C954
Уплотнение:EPDM,PTFE,VITON,NBR
![]() |
![]() |
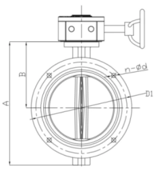
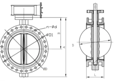
Основные технические характеристики
| DN | L | D | D1 | H | H1 | n-φd | ||
| mm | PN1.0MPa | PN1.6MPa | PN1.0MPa | PN1.6MPa | ||||
| 50 | 108 | 125 | 125 | 150 | 326 | 83 | 4-φ18 | 4-φ18 |
| 65 | 112 | 145 | 145 | 165 | 344 | 93 | 4-φ18 | 4-φ18 |
| 80 | 114 | 160 | 160 | 200 | 363 | 100 | 4-φ18 | 8-φ18 |
| 100 | 127 | 180 | 180 | 220 | 396 | 114 | 8-φ18 | 8-φ18 |
| 125 | 140 | 210 | 210 | 250 | 421 | 125 | 8-φ18 | 8-φ18 |
| 150 | 140 | 240 | 240 | 280 | 453 | 143 | 8-φ23 | 8-φ23 |
| 200 | 152 | 295 | 295 | 335 | 578 | 170 | 8-φ23 | 12-φ23 |
| 250 | 165 | 350 | 355 | 405 | 638 | 198 | 12-φ23 | 12-φ28 |
| 300 | 178 | 400 | 410 | 455 | 731 | 223 | 12-φ23 | 12-φ28 |
| 350 | 190 | 460 | 470 | 525 | 783 | 270 | 16-φ23 | 16-φ28 |
| 400 | 216 | 515 | 525 | 580 | 888 | 300 | 16-φ28 | 16-φ31 |
| 450 | 222 | 565 | 585 | 640 | 958 | 340 | 20-φ28 | 20-φ31 |
| 500 | 229 | 620 | 650 | 705 | 1005 | 355 | 20-φ28 | 20-φ34 |
| 600 | 267 | 725 | 770 | 825 | 1128 | 410 | 20-中30 | 20-φ36 |
| 700 | 292 | 840 | 840 | 920 | 1476 | 478 | 24-φ30 | 24-φ36 |
| 800 | 318 | 950 | 950 | 1020 | 1533 | 525 | 24-φ33 | 24-φ39 |
| 900 | 330 | 1050 | 1050 | 1120 | 1655 | 585 | 28-φ33 | 28-φ39 |
| 1000 | 410 | 1160 | 1170 | 1340 | 1765 | 640 | 28-φ36 | 28-φ42 |
| 1200 | 470 | 1380 | 1390 | 1560 | 1995 | 755 | 32-φ39 | 32-φ48 |
| 1400 | 530 | 1590 | 1590 | 1760 | 2310 | 910 | 36-φ42 | 36-φ48 |
| 1600 | 600 | 1820 | 1820 | 1970 | 2595 | 1030 | 40-φ48 | 40-φ56 |
| 1800 | 697 | 2020 | 2020 | 2180 | 2810 | 1140 | 44-φ48 | 44-φ56 |
| 2000 | 760 | 2230 | 2230 | 2345 | 3100 | 1250 | 48-φ48 | 48-φ62 |

Информационые обмены

Мы активно участвуем в различных отраслевых выставках, встречах по обмену и т. Д., Глубоко понимаем динамику отраслевых продуктов, онлайн-общение и проверки на местах, а также активно работаем над оптимизацией продуктов и техническими обновлениями, чтобы лучше соответствовать различным потребностям клиенты.Упаковка, доставка и оплата

Часто задаваемые вопросы
Q1: Какой срок производства ?
A.Это зависит от объема заказа.Обычно на ходовые позиции нужно 30 дней , если в складу есть в
наличии , сможем отправлять в течении 5-7 дней .
Q2: вы являетесь торговая компания или производитель?
A: Мы являемся производителем по запорной арматуре.
Q3: Можете ли вы производить по нашим чертежам?
A: Да, пожалуйста, отправьте нам свой собственный черновик. OEM-товары приветствуются.
Q4: У вас есть агент или представитель за границей?
A: У нас нет агента за границей.
Q5: Сможем ли мы отливать логотип на изделиях ?
A: Да, OEM доступен с разрешения наших клиентов.
Q6: какая у вас условия оплаты?
A: T / T или L / C, если вам нужен другой способ, пожалуйста, свяжитесь с нами.
Q7: каков ваш основной рынок?
A: Восточная Европа, Юго-Восточная Азия, Африка, Океания, Средний Восток, Восточная Азия, Западная Европа, Северная Америка, Южная Америка и так далее.
Q8: Что я могу получить от сотрудничества?
1. Уникальные клапаны с индивидуальным обслуживанием.
2. Своевременное изготовление и поставка, время - деньги.
3. Служба защиты рынка, долгосрочная бизнес-стратегия.
Если у вас есть какие-либо вопросы или вопросы, пожалуйста, свяжитесь с нами.
Получить предложение
Если вас интересуют наши продукты и вы хотите узнать больше деталей, пожалуйста, оставьте сообщение здесь, мы ответим вам как можно скорее.





