Затвор фланцевый поворотный дисковый трехэксцентриковый PN16/PN25
Диаметр условного проход:от 50 до 2000 мм
Условное давление:1.0 МПА 1.6 МПА
Температура рабочей среды: до 425 градусов
Рабочая среда:Вода пар и нефтявые продукты
Класс герметичности: А по Гост 9544-2015
Диаметр условного прохода:от 50 до 2000 мм
Условное давление:1.0 МПА 1.6 МПА
Температура рабочей среды: до 425 градусов
Рабочая среда:Вода пар и нефтявые продукты
Класс герметичности: А по Гост 9544-2015
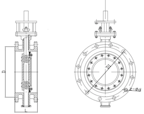
Конструкция:
Материал корпуса:углepoдиctaя сталь(с), легированная сталь(лс),нержавеющая сталь (нж)
Тип управления:ручное(маховик),редуктор(5),электропривод(9)
Материал Уплотнение:EPDM,PTFE,VITON,NBR
Тип присоединение:фланцевое, Межфланцевый,под приварку
Направление рабочей среды:Одностороное, двухстроное
Материалы основных деталей
Корпус:Чугун, сталь 20,20ГЛ, 304,316L
Диск:Чугун, сталь 20,20ГЛ, 304,316L
Уплотнение :нж+графит,EPDM
Направление рабочей среды:Одностороное, двухстроное
![]() |
![]() |
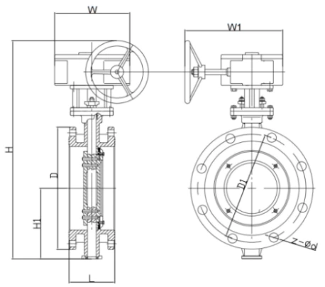
Основные технические характеристики
| PN | DN | L | D1 | D | Z-Φd | H | H1 | W | W1 |
| 10/16 | 50 | 108 | 160 | 125 | 99 | 4-18 | 20 | 360 | 112 |
| 65 | 112 | 180 | 145 | 118 | 4-18 | 20 | 380 | 115 | |
| 80 | 114 | 195 | 160 | 132 | 8-18 | 20 | 445 | 120 | |
| 100 | 127 | 215 | 180 | 156 | 8-18 | 22 | 490 | 140 | |
| 125 | 140 | 245 | 210 | 184 | 8-18 | 22 | 490 | 170 | |
| 150 | 140 | 280 | 240 | 211 | 8-23 | 24 | 630 | 180 | |
| 200 | 152 | 335 | 295 | 266 | 12-23 | 24 | 690 | 210 | |
| 250 | 165 | 405 | 350 | 319 | 12-25 | 26 | 830 | 240 | |
| 300 | 178 | 460 | 410 | 370 | 12-25 | 28 | 930 | 290 | |
| 350 | 190 | 520 | 470 | 429 | 16-26 | 30 | 1010 | 320 | |
| 400 | 216 | 580 | 525 | 480 | 16-30 | 32 | 1070 | 350 | |
| 450 | 222 | 640 | 585 | 548 | 20-30 | 34 | 1140 | 380 | |
| 500 | 229 | 705 | 650 | 609 | 20-33 | 36 | 1200 | 410 | |
| 600 | 267 | 840 | 770 | 720 | 20-36 | 38 | 1340 | 470 | |
| 700 | 292 | 910 | 840 | 794 | 24-36 | 40 | 1600 | 550 | |
| 800 | 318 | 1020 | 950 | 901 | 24-39 | 42 | 1780 | 640 | |
| 900 | 330 | 1120 | 1050 | 1001 | 28-39 | 44 | 1920 | 710 | |
| 1000 | 410 | 1255 | 1170 | 1112 | 28-42 | 46 | 1960 | 770 | |
| 1200 | 470 | 1485 | 1390 | 1328 | 32-48 | 52 | 2360 | 875 | |
| 1400 | 530 | 1685 | 1590 | 1530 | 36-48 | 58 | 2530 | 970 | |
| 1600 | 600 | 1930 | 1820 | 1750 | 40-55 | 64 | 2640 | 1100 |
Информационые обмены

Мы активно участвуем в различных отраслевых выставках, встречах по обмену и т. Д., Глубоко понимаем динамику отраслевых продуктов, онлайн-общение и проверки на местах, а также активно работаем над оптимизацией продуктов и техническими обновлениями, чтобы лучше соответствовать различным потребностям клиенты.
Упаковка, доставка и оплата

Часто задаваемые вопросы
Q1: Какой срок производства ?
A.Это зависит от объема заказа.Обычно на ходовые позиции нужно 30 дней , если в складу есть в
наличии , сможем отправлять в течении 5-7 дней .
Q2: вы являетесь торговая компания или производитель?
A: Мы являемся производителем по запорной арматуре.
Q3: Можете ли вы производить по нашим чертежам?
A: Да, пожалуйста, отправьте нам свой собственный черновик. OEM-товары приветствуются.
Q4: У вас есть агент или представитель за границей?
A: У нас нет агента за границей.
Q5: Сможем ли мы отливать логотип на изделиях ?
A: Да, OEM доступен с разрешения наших клиентов.
Q6: какая у вас условия оплаты?
A: T / T или L / C, если вам нужен другой способ, пожалуйста, свяжитесь с нами.
Q7: каков ваш основной рынок?
A: Восточная Европа, Юго-Восточная Азия, Африка, Океания, Средний Восток, Восточная Азия, Западная Европа, Северная Америка, Южная Америка и так далее.
Q8: Что я могу получить от сотрудничества?
1. Уникальные клапаны с индивидуальным обслуживанием.
2. Своевременное изготовление и поставка, время - деньги.
3. Служба защиты рынка, долгосрочная бизнес-стратегия.
Если у вас есть какие-либо вопросы или вопросы, пожалуйста, свяжитесь с нами.
Получить предложение
Если вас интересуют наши продукты и вы хотите узнать больше деталей, пожалуйста, оставьте сообщение здесь, мы ответим вам как можно скорее.





