Затвор фланцевые поворотный дисковый двухэксцентриковые PN16
Диаметр условного проход:от 100 до 1600 мм
Условное давление:1.0 МПА 1.6 МПА
Температура рабочей среды:до 80 градусов
Рабочая среда:Вода и воздух
Класс герметичности: А по Гост 9544-2015
Диаметр условного прохода:от 100 до 1600 мм
Условное давление:1.0 МПА 1.6 МПА
Температура рабочей среды:до 80 градусов
Рабочая среда:Вода и воздух
Класс герметичности: А по Гост 9544-2015
Конструкция:Фланцевый
Материал корпуса:углepoдиctaя сталь(с), легированная сталь(лс),нержавеющая сталь (нж)
Тип управления:ручное(маховик),редуктор(5),электропривод(9)
Материал Уплотнение:EPDM
Тип присоединение:фланцевое, Межфланцевый,с резьбовыми проушинами
Направление рабочей среды:Одностороное, двухстроное
Материалы основных деталей
Корпус:Чугун, WCB, 304,316L
Диск:Чугун, сталь 20,20ГЛ, 304,316L
Уплотнение:нж+графит,EPDM
![]() |
![]() |
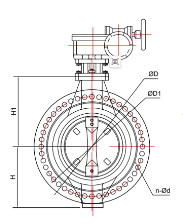
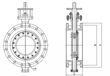
Основные технические характеристики
| DN | L | D | D1 | n-Φd |
| 100 | 190 | 220 | 180 | 8-Ø19 |
| 150 | 210 | 285 | 240 | 8-Ø23 |
| 200 | 230 | 340 | 295 | 12-Ø23 |
| 250 | 250 | 405 | 355 | 12-Ø28 |
| 300 | 270 | 460 | 410 | 12-Ø28 |
| 350 | 290 | 520 | 470 | 16-Ø28 |
| 400 | 310 | 580 | 525 | 16-Ø31 |
| 450 | 330 | 640 | 585 | 20-Ø31 |
| 500 | 350 | 715 | 650 | 20-Ø34 |
| 600 | 390 | 840 | 770 | 20-Ø37 |
| 700 | 430 | 910 | 840 | 24-Ø37 |
| 800 | 470 | 1025 | 950 | 24-Ø40 |
| 900 | 510 | 1125 | 1050 | 28-Ø40 |
| 1000 | 550 | 1255 | 1170 | 28-Ø43 |
| 1200 | 630 | 1485 | 1390 | 32-Ø49 |
| 1400 | 710 | 1685 | 1590 | 36-Ø49 |
| 1600 | 790 | 1930 | 1820 | 40-Ø56 |
Информационые обмены

Мы активно участвуем в различных отраслевых выставках, встречах по обмену и т. Д., Глубоко понимаем динамику отраслевых продуктов, онлайн-общение и проверки на местах, а также активно работаем над оптимизацией продуктов и техническими обновлениями, чтобы лучше соответствовать различным потребностям клиенты.Упаковка, доставка и оплата

Часто задаваемые вопросы
Q1: Какой срок производства ?
A.Это зависит от объема заказа.Обычно на ходовые позиции нужно 30 дней , если в складу есть в
наличии , сможем отправлять в течении 5-7 дней .
Q2: вы являетесь торговая компания или производитель?
A: Мы являемся производителем по запорной арматуре.
Q3: Можете ли вы производить по нашим чертежам?
A: Да, пожалуйста, отправьте нам свой собственный черновик. OEM-товары приветствуются.
Q4: У вас есть агент или представитель за границей?
A: У нас нет агента за границей.
Q5: Сможем ли мы отливать логотип на изделиях ?
A: Да, OEM доступен с разрешения наших клиентов.
Q6: какая у вас условия оплаты?
A: T / T или L / C, если вам нужен другой способ, пожалуйста, свяжитесь с нами.
Q7: каков ваш основной рынок?
A: Восточная Европа, Юго-Восточная Азия, Африка, Океания, Средний Восток, Восточная Азия, Западная Европа, Северная Америка, Южная Америка и так далее.
Q8: Что я могу получить от сотрудничества?
1. Уникальные клапаны с индивидуальным обслуживанием.
2. Своевременное изготовление и поставка, время - деньги.
3. Служба защиты рынка, долгосрочная бизнес-стратегия.
Если у вас есть какие-либо вопросы или вопросы, пожалуйста, свяжитесь с нами.
Получить предложение
Если вас интересуют наши продукты и вы хотите узнать больше деталей, пожалуйста, оставьте сообщение здесь, мы ответим вам как можно скорее.





