Затвор поворотный дисковый с резьбовыми проушинами PN10/PN16
Диаметр условного проход:от 50 до 600 мм
Условное давление:1.0 МПА-1.6МПА
Температура рабочей среды:до 80 градусов
Рабочая среда:Вода и воздух
Класс герметичности: А по Гост 9544-2015
Диаметр условного прохода:от 50 до 600 мм
Условное давление:1.0 МПА-1.6МПА
Температура рабочей среды:до 80 градусов
Рабочая среда:Вода и воздух
Класс герметичности: А по Гост 9544-2015
Конструкция:с резьбовыми проушинами
Материал корпуса:углepoдиctaя сталь(с), легированная сталь(лс),нержавеющая сталь (нж)
Тип управления:ручное(маховик),редуктор(5),электропривод(9)
Материал Уплотнение:EPDM
Тип присоединение:фланцевое, Межфланцевый,с резьбовыми проушинами
Материалы основных деталей
Корпус:Чугун, WCB, 304,316L
Диск:DI,WCB,304,316L,2507.1.4529,с покрытием , NILON,C954
Уплотнение:EPDM,PTFE,VITON,NBR

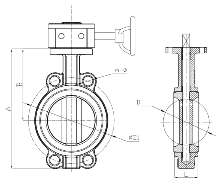
Основные технические характеристики
| DN | A | B | L | D | D1 | n-Φ |
| 50 | 161 | 80 | 42 | 52.9 | 125 | 4-M16 |
| 65 | 175 | 89 | 44.7 | 64.5 | 145 | 4-M16 |
| 80 | 181 | 95 | 45.2 | 78.8 | 160 | 8-M16 |
| 100 | 200 | 114 | 52.1 | 104 | 180 | 8-M16 |
| 125 | 213 | 127 | 54.4 | 123.3 | 210 | 8-M16 |
| 150 | 226 | 139 | 55.8 | 155.6 | 240 | 8-M20 |
| 200 | 260 | 175 | 60.6 | 202.5 | 295 | 8-M20/12-M24 |
| 250 | 292 | 203 | 65.6 | 250.5 | 355 | 12-M20/12-M24 |
| 300 | 337 | 242 | 76.9 | 301.6 | 48 | 1.2 |
| 350 | 368 | 267 | 76.5 | 333.3 | 460/470 | 16-M20/16-M24 |
| 400 | 400 | 309 | 86.5 | 389.6 | 525 | M2 |
| 450 | 422 | 328 | 105.6 | 440.51 | 565/585 | 30.M2 |
| 500 | 480 | 361 | 131.8 | 491.6 | 620 | 30.M3 |
| 600 | 562 | 459 | 152 | 592.5 | 650 | 38.M |

Информационые обмены

Мы активно участвуем в различных отраслевых выставках, встречах по обмену и т. Д., Глубоко понимаем динамику отраслевых продуктов, онлайн-общение и проверки на местах, а также активно работаем над оптимизацией продуктов и техническими обновлениями, чтобы лучше соответствовать различным потребностям клиенты.
Упаковка, доставка и оплата

Часто задаваемые вопросы
Q1: Какой срок производства ?
A.Это зависит от объема заказа.Обычно на ходовые позиции нужно 30 дней , если в складу есть в
наличии , сможем отправлять в течении 5-7 дней .
Q2: вы являетесь торговая компания или производитель?
A: Мы являемся производителем по запорной арматуре.
Q3: Можете ли вы производить по нашим чертежам?
A: Да, пожалуйста, отправьте нам свой собственный черновик. OEM-товары приветствуются.
Q4: У вас есть агент или представитель за границей?
A: У нас нет агента за границей.
Q5: Сможем ли мы отливать логотип на изделиях ?
A: Да, OEM доступен с разрешения наших клиентов.
Q6: какая у вас условия оплаты?
A: T / T или L / C, если вам нужен другой способ, пожалуйста, свяжитесь с нами.
Q7: каков ваш основной рынок?
A: Восточная Европа, Юго-Восточная Азия, Африка, Океания, Средний Восток, Восточная Азия, Западная Европа, Северная Америка, Южная Америка и так далее.
Q8: Что я могу получить от сотрудничества?
1. Уникальные клапаны с индивидуальным обслуживанием.
2. Своевременное изготовление и поставка, время - деньги.
3. Служба защиты рынка, долгосрочная бизнес-стратегия.
Если у вас есть какие-либо вопросы или вопросы, пожалуйста, свяжитесь с нами.
Получить предложение
Если вас интересуют наши продукты и вы хотите узнать больше деталей, пожалуйста, оставьте сообщение здесь, мы ответим вам как можно скорее.



