Кран шаровой эксцентричный с верхней установкой
Диаметр условного проход:от 60 до 2000 мм
Условное давление:1.6 МПА-16МПА
Температура рабочей среды:до 425 градусов (углеродистые стали)
До 525 градусов (нержавеющие стали)
Рабочая среда:вода, пар нефтявые продукты
Класс герметичности:А по Гост 9544-2015
Диаметр условного прохода:от 60 до 2000 мм
Условное давление:1.6 МПА-16МПА
Температура рабочей среды:до 425 градусов (углеродистые стали)
До 525 градусов (нержавеющие стали)
Рабочая среда:вода, пар нефтявые продукты
Класс герметичности:А по Гост 9544-2015
Материалы основных деталей
Корпус:Чугун, Сталь 20
Крашка:Чугун, Сталь 20
Шар:Чугун, Сталь 20
Шток:нержавеющие стали
Седло:нержавеющие стали
Набивка сальника:Графит, PTFE

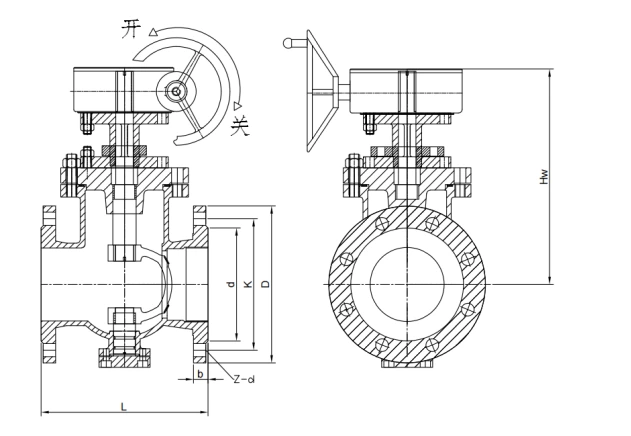
Основные технические характеристики
| PN | DN | Size(mm) | ||||||||
| L | D | K | d | b | Z-do | Hw | Hd | |||
| 1.0MPa | 100 | 229 | 215 | 180 | 155 | 22 | 8-18 | 330 | 380 | |
| 125 | 254 | 245 | 210 | 185 | 24 | 8-18 | 345 | 405 | ||
| 150 | 267 | 280 | 240 | 210 | 24 | 8-23 | 370 | 440 | ||
| 200 | 292 | 335 | 295 | 265 | 24 | 8-23 | 405 | 470 | ||
| 250 | 330 | 390 | 350 | 320 | 26 | 12-23 | 480 | 540 | ||
| 300 | 356 | 440 | 400 | 368 | 28 | 12-23 | 520 | 580 | ||
| 350 | 430 | 500 | 460 | 428 | 28 | 16-23 | 570 | 630 | ||
| 400 | 530 | 565 | 515 | 482 | 30 | 16-25 | 630 | 710 | ||
| 450 | 580 | 615 | 565 | 532 | 30 | 20-25 | 690 | 770 | ||
| 500 | 660 | 670 | 620 | 585 | 32 | 20-25 | 740 | 820 | ||
| 600 | 840 | 780 | 725 | 685 | 36 | 20-30 | 840 | 940 | ||
| 700 | 900 | 895 | 840 | 794 | 34 | 24-30 | 960 | 1040 | ||
| 800 | 1000 | 1015 | 950 | 901 | 36 | 24-33 | 1080 | 1180 | ||
| 900 | 1100 | 1115 | 1050 | 1001 | 38 | 28-33 | 1190 | 1280 | ||
| 1000 | 1200 | 1230 | 1160 | 1112 | 38 | 28-36 | 1310 | 1420 | ||
| 1200 | 1300 | 1455 | 1380 | 1328 | 44 | 32-39 | 1420 | 1530 | ||
| 1400 | 1500 | 1675 | 1590 | 1530 | 48 | 36-42 | 1540 | 1650 | ||
| 1.6MPa | 100 | 229 | 215 | 180 | 155 | 20 | 8-18 | 330 | 380 | |
| 125 | 254 | 245 | 210 | 185 | 22 | 8-18 | 345 | 405 | ||
| 150 | 267 | 280 | 240 | 210 | 24 | 8-23 | 370 | 440 | ||
| 200 | 292 | 335 | 295 | 265 | 26 | 12-23 | 405 | 470 | ||
| 250 | 330 | 405 | 355 | 320 | 30 | 12-25 | 480 | 540 | ||
| 300 | 356 | 460 | 410 | 375 | 30 | 12-25 | 520 | 580 | ||
| 350 | 430 | 520 | 470 | 435 | 34 | 16-25 | 570 | 630 | ||
| 400 | 530 | 580 | 525 | 485 | 36 | 16-30 | 630 | 710 | ||
| 45C | 580 | 640 | 585 | 545 | 40 | 20-30 | 690 | 770 | ||
| 500 | 660 | 705 | 650 | 608 | 44 | 20-34 | 740 | 820 | ||
| 600 | 840 | 840 | 770 | 718 | 48 | 20-41 | 840 | 940 | ||
| 700 | 900 | 910 | 840 | 788 | 50 | 24-41 | 960 | 1040 | ||
| 800 | 100 | 1020 | 950 | 898 | 52 | 24-41 | 1080 | 1180 | ||
| 900 | 1100 | 1120 | 1050 | 998 | 54 | 28-41 | 1190 | 1280 | ||
| 1000 | 1200 | 125 | 1170 | 1110 | 56 | 28-48 | 1310 | 1420 | ||
| 1200 | 1300 | 1485 | 1390 | 1325 | 58 | 32-54 | 1420 | 1530 | ||
| 1400 | 1500 | 1685 | 159C | 1525 | 60 | 36-54 | 1540 | 1650 | ||
Информационые обмены

Мы активно участвуем в различных отраслевых выставках, встречах по обмену и т. Д., Глубоко понимаем динамику отраслевых продуктов, онлайн-общение и проверки на местах, а также активно работаем над оптимизацией продуктов и техническими обновлениями, чтобы лучше соответствовать различным потребностям клиенты.Упаковка, доставка и оплата

Часто задаваемые вопросы
Q1:Какой срок производства ?
A.Это зависит от объема заказа.Обычно на ходовые позиции нужно 30 дней , если в складу есть в
наличии , сможем отправлять в течении 5-7 дней .
Q2: вы являетесь торговая компания или производитель?
A: Мы являемся производителем по запорной арматуре.
Q3: Можете ли вы производить по нашим чертежам?
A: Да, пожалуйста, отправьте нам свой собственный черновик. OEM-товары приветствуются.
Q4: У вас есть агент или представитель за границей?
A: У нас нет агента за границей.
Q5: Сможем ли мы отливать логотип на изделиях ?
A: Да, OEM доступен с разрешения наших клиентов.
Q6:какая у вас условия оплаты?
A: T / T или L / C, если вам нужен другой способ, пожалуйста, свяжитесь с нами.
Q7: каков ваш основной рынок?
A: Восточная Европа, Юго-Восточная Азия, Африка, Океания, Средний Восток, Восточная Азия, Западная Европа, Северная Америка, Южная Америка и так далее.
Q8: Что я могу получить от сотрудничества?
1. Уникальные клапаны с индивидуальным обслуживанием.
2. Своевременное изготовление и поставка, время - деньги.
3. Служба защиты рынка, долгосрочная бизнес-стратегия.
Если у вас есть какие-либо вопросы или вопросы, пожалуйста, свяжитесь с нами.
Получить предложение
Если вас интересуют наши продукты и вы хотите узнать больше деталей, пожалуйста, оставьте сообщение здесь, мы ответим вам как можно скорее.



