Диаметр условного прохода:от 8 до 100 мм
Условное давление:Максимальное давление для пара 8 бар
Температура рабочей среды: до 180 градусов
Рабочая среда:вода, пар нефтявые продукты
Класс герметичности:А по Гост 9544-2015
Материал корпуса:углepoдиctaя сталь(с),нержавеющая сталь (нж)
Тип управления:ручное(маховик), под эл привод(с ISO верхним фланцем)
Материал Уплотнение:PTFE
Тип присоединение:сварка/сварка
Материалы основных деталей
Корпус:Сталь 20 , нержавеющие стали
Крышка:Сталь 20 ,нержавеющие стали
Шар:нержавеющие стали
Шток:нержавеющие стали
Седло:PTFE
Набивка сальника: PTFE

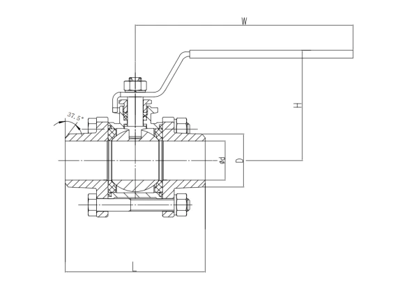
Основные технические характеристики
| DN | Inch | L | d | D | W | H |
| 8 | 1/4” | 60 | 11 | 14.5 | 95 | 48 |
| 10 | 3/8” | 60 | 11 | 17.2 | 105 | 48 |
| 15 | 1/2” | 67 | 15 | 22 | 105 | 50 |
| 20 | 3/4” | 76 | 20 | 29 | 110 | 52 |
| 25 | 1” | 90 | 25 | 35 | 125 | 64 |
| 32 | 1 1/4” | 99 | 32 | 43 | 140 | 69 |
| 40 | 1 1/2” | 112 | 38 | 49 | 160 | 76 |
| 50 | 2” | 132 | 50 | 61 | 160 | 86 |
| 65 | 2 1/2” | 178 | 65 | 76.1 | 211 | 120 |
| 80 | 3” | 206 | 80 | 91 | 234 | 150 |
| 100 | 4” | 261 | 100 | 114.3 | 311 | 170 |
Информационые обмены

Мы активно участвуем в различных отраслевых выставках, встречах по обмену и т. Д., Глубоко понимаем динамику отраслевых продуктов, онлайн-общение и проверки на местах, а также активно работаем над оптимизацией продуктов и техническими обновлениями, чтобы лучше соответствовать различным потребностям клиенты.Упаковка, доставка и оплата

Часто задаваемые вопросы
Q1:Какой срок производства ?
A.Это зависит от объема заказа.Обычно на ходовые позиции нужно 30 дней , если в складу есть в
наличии , сможем отправлять в течении 5-7 дней .
Q2: вы являетесь торговая компания или производитель?
A: Мы являемся производителем по запорной арматуре.
Q3: Можете ли вы производить по нашим чертежам?
A: Да, пожалуйста, отправьте нам свой собственный черновик. OEM-товары приветствуются.
Q4: У вас есть агент или представитель за границей?
A: У нас нет агента за границей.
Q5: Сможем ли мы отливать логотип на изделиях ?
A: Да, OEM доступен с разрешения наших клиентов.
Q6:какая у вас условия оплаты?
A: T / T или L / C, если вам нужен другой способ, пожалуйста, свяжитесь с нами.
Q7: каков ваш основной рынок?
A: Восточная Европа, Юго-Восточная Азия, Африка, Океания, Средний Восток, Восточная Азия, Западная Европа, Северная Америка, Южная Америка и так далее.
Q8: Что я могу получить от сотрудничества?
1. Уникальные клапаны с индивидуальным обслуживанием.
2. Своевременное изготовление и поставка, время - деньги.
3. Служба защиты рынка, долгосрочная бизнес-стратегия.
Если у вас есть какие-либо вопросы или вопросы, пожалуйста, свяжитесь с нами.
Получить предложение
Если вас интересуют наши продукты и вы хотите узнать больше деталей, пожалуйста, оставьте сообщение здесь, мы ответим вам как можно скорее.



