Кран шаровой муфтовый 3-х ходовой
Диаметр условного проход:от 8 до 65 мм
Условное давление:Максимальное давление для пара 8 бар
Температура рабочей среды: до 180 градусов
Рабочая среда:вода, пар нефтявые продукты
Класс герметичности:А по Гост 9544-2015
Диаметр условного прохода:от 8 до 65 мм
Условное давление:Максимальное давление для пара 8 бар
Температура рабочей среды: до 180 градусов
Рабочая среда:вода, пар нефтявые продукты
Класс герметичности:А по Гост 9544-2015
Материал корпуса:углepoдиctaя сталь(с),нержавеющая сталь (нж)
Тип управления:ручное(маховик), под эл привод(с ISO верхним фланцем)
Материал Уплотнение:PTFE
Тип присоединение:внутренняя резьба/внутренняя резьба
Материалы основных деталей
Корпус:Сталь 20 , нержавеющие стали
Крышка:Сталь 20 ,нержавеющие стали
Шар:нержавеющие стали
Шток:нержавеющие стали
Седло:PTFE
Набивка сальника: PTFE


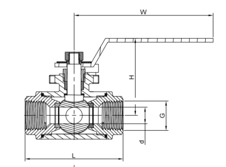
Основные технические характеристики
| DN | Inch | L | L1 | d | D1 | D2 | D3 | D4 | W | H | H1 |
| 8 | 1/4” | 71 | 10 | 110 | 56 | ||||||
| 10 | 3/8” | 71 | 12 | 110 | 56 | ||||||
| 15 | 1/2” | 74 | 120 | 12 | 9.6 | 21.7 | 25 | 12.7 | 110 | 58 | 62 |
| 20 | 3/4” | 88 | 136 | 15 | 15.8 | 21.7 | 25 | 19.1 | 120 | 60 | 64 |
| 25 | 1” | 92 | 160 | 20 | 22.1 | 43.5 | 50.4 | 25.4 | 140 | 70 | 89 |
| 32 | 1-1/4” | 124 | 25 | 140 | 82 | ||||||
| 40 | 1-1/2” | 138 | 182 | 32 | 34.8 | 43.5 | 50.4 | 38.1 | 180 | 95 | 108 |
| 50 | 2” | 154 | 216 | 38 | 47.5 | 56.5 | 63.9 | 50.8 | 200 | 100 | 140 |
| 65 | 2-1/2” | 180 | 48.5 | 240 | 180 |
Получить предложение
Если вас интересуют наши продукты и вы хотите узнать больше деталей, пожалуйста, оставьте сообщение здесь, мы ответим вам как можно скорее.



