Кран шаровой муфтовый 3-составной PN40-PN64(2000WOG)
Диаметр условного проход:от 15 до 50 мм
Условное давление:Максимальное давление для пара 8 бар
Температура рабочей среды: до 180 градусов
Рабочая среда:вода, пар нефтявые продукты
Класс герметичности:А по Гост 9544-2015
Диаметр условного прохода:от 15 до 50 мм
Условное давление:Максимальное давление для пара 8 бар
Температура рабочей среды: до 180 градусов
Рабочая среда:вода, пар нефтявые продукты
Класс герметичности:А по Гост 9544-2015
Материал корпуса:углepoдиctaя сталь(с), нержавеющая сталь (нж)
Тип управления:ручное(маховик), под эл привод(с ISO верхним фланцем)
Материал Уплотнение:PTFE
Тип присоединение:внутренняя резьба/внутренняя резьба
Материалы основных деталей
Корпус:Сталь 20 , нержавеющие стали
Крышка:Сталь 20 ,нержавеющие стали
Шар:нержавеющие стали
Шток:нержавеющие стали
Седло:PTFE
Набивка сальника: PTFE

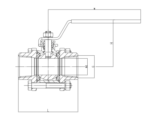
Основные технические характеристики
| DN | Inch | L | d | G | W | H |
| 15 | 1/2” | 76 | 12 | 1/2” | 155 | 75.5 |
| 20 | 3/4” | 87 | 15 | 3/4” | 180 | 83.5 |
| 25 | 1” | 95 | 20 | 1” | 180 | 89 |
| 32 | 1-1/4” | 112 | 25 | 1-1/4” | 220 | 111 |
| 40 | 1-1/2” | 125 | 32 | 1-1/2” | 220 | 115 |
| 50 | 2” | 140 | 38 | 2” | 260 | 127 |
Получить предложение
Если вас интересуют наши продукты и вы хотите узнать больше деталей, пожалуйста, оставьте сообщение здесь, мы ответим вам как можно скорее.



