Кран шаровой цельносварной под приварку с полным проходом
Диаметр условного проход:от 100 до 1200 мм
Условное давление:1.6 МПА-4,0МПА
Температура рабочей среды:до 200 градусов
Рабочая среда:вода, пар нефтявые продукты
Класс герметичности:A по Гост 9544-2015
Диаметр условного прохода:от 100 до 1200 мм
Условное давление:1.6 МПА-4,0МПА
Температура рабочей среды:до 200 градусов
Рабочая среда:вода, пар нефтявые продукты
Класс герметичности:A по Гост 9544-2015
Материал корпуса:углepoдиctaя сталь(с), легированная сталь(лс),нержавеющая сталь (нж)
Тип управления:ручное(маховик),редуктор(5),электропривод(9)
Материал Уплотнение:PTFE,меттал по метталу
Тип присоединение:Фланцевое, под приварку
Конструкция :Полный проход, не полный проход
Материалы основных деталей
Корпус:Сталь 20 , А105, нержавеющие стали
Крышка:Сталь 20 , А105, нержавеющие стали
Шар:нержавеющие стали
Шток:нержавеющие стали
Седло:PTFE
Набивка сальника:Графит, PTFE

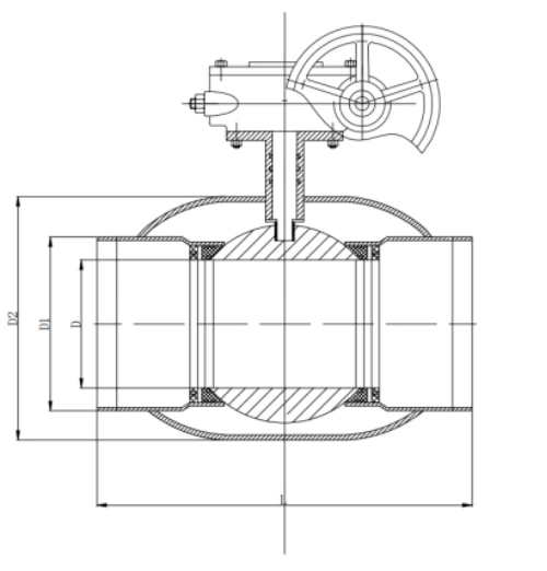
Основные технические характеристики
| DN | PN | L | D | D1 | D2 | A | H | H1 |
| 10 | 16 25 40 |
210 | 10 | 17.2 | 33.7 | 145 | 98 | 22 |
| 15 | 210 | 10 | 21.3 | 33.7 | 145 | 98 | 22 | |
| 20 | 230 | 15 | 26.9 | 42.4 | 145 | 103 | 23 | |
| 25 | 230 | 20 | 33.7 | 51 | 145 | 118 | 34 | |
| 32 | 260 | 25 | 42.4 | 60.3 | 145 | 121 | 33 | |
| 40 | 260 | 32 | 48.3 | 68 | 190 | 120 | 43 | |
| 50 | 300 | 40 | 60.3 | 88.9 | 190 | 127 | 44 | |
| 65 | 16 25 |
300 | 50 | 76.1 | 102 | 280 | 170 | 71 |
| 80 | 300 | 65 | 89.9 | 127 | 280 | 185 | 77 | |
| 100 | 325 | 80 | 114.3 | 159 | 280 | 210 | 102 | |
| 125 | 325 | 100 | 139.7 | 180 | 400 | 253 | 101 | |
| 150 | 350 | 125 | 168.3 | 219 | 600 | 273 | 107 | |
| 200 | 400 | 150 | 219.1 | 273 | 900 | 315 | 123 | |
| 250 | 530 | 200 | 273 | 351 | 1200 | 398 | 122 | |
| 300 | 635 | 250 | 325 | 426 | 280 | 465 | 155 | |
| 350 | 690 | 300 | 377 | 508 | 325 | 530 | 187 | |
| 400 | 762 | 350 | 426 | 580 | 466 | 530 | 221 | |
| 450 | 838 | 350 | 480 | 580 | 466 | 530 | 216 | |
| 500 | 914 | 400 | 530 | 680 | 466 | 630 | 211 | |
| 600 | 1067 | 500 | 630 | 810 | 466 | 762 | 259 | |
| 700 | 1346 | 590 | 720 | 982 | 507 | 830 | ||
| 800 | 1524 | 690 | 820 | 1130 | 624 | 910 | ||
| 900 | 1727 | 790 | 920 | 1285 | 844 | 1025 | ||
| 1000 | 1900 | 890 | 1020 | 1405 | 881 | 1165 | ||
| 1200 | 2050 | 1100 | 1219 | 1576 | 1092 | 1289 |
Информационые обмены

Мы активно участвуем в различных отраслевых выставках, встречах по обмену и т. Д., Глубоко понимаем динамику отраслевых продуктов, онлайн-общение и проверки на местах, а также активно работаем над оптимизацией продуктов и техническими обновлениями, чтобы лучше соответствовать различным потребностям клиенты.Упаковка, доставка и оплата

Часто задаваемые вопросы
Q1:Какой срок производства ?
A.Это зависит от объема заказа.Обычно на ходовые позиции нужно 30 дней , если в складу есть в
наличии , сможем отправлять в течении 5-7 дней .
Q2: вы являетесь торговая компания или производитель?
A: Мы являемся производителем по запорной арматуре.
Q3: Можете ли вы производить по нашим чертежам?
A: Да, пожалуйста, отправьте нам свой собственный черновик. OEM-товары приветствуются.
Q4: У вас есть агент или представитель за границей?
A: У нас нет агента за границей.
Q5: Сможем ли мы отливать логотип на изделиях ?
A: Да, OEM доступен с разрешения наших клиентов.
Q6:какая у вас условия оплаты?
A: T / T или L / C, если вам нужен другой способ, пожалуйста, свяжитесь с нами.
Q7: каков ваш основной рынок?
A: Восточная Европа, Юго-Восточная Азия, Африка, Океания, Средний Восток, Восточная Азия, Западная Европа, Северная Америка, Южная Америка и так далее.
Q8: Что я могу получить от сотрудничества?
1. Уникальные клапаны с индивидуальным обслуживанием.
2. Своевременное изготовление и поставка, время - деньги.
3. Служба защиты рынка, долгосрочная бизнес-стратегия.
Если у вас есть какие-либо вопросы или вопросы, пожалуйста, свяжитесь с нами.
Получить предложение
Если вас интересуют наши продукты и вы хотите узнать больше деталей, пожалуйста, оставьте сообщение здесь, мы ответим вам как можно скорее.



